- Насосы
Насосы вертикальные многоступенчатые из нержавеющей стали
Насосы горизонтальные многоступенчатые из нержавеющей стали
Насосы центробежные из нержавеющей стали
Насосы центробежные из нержавеющей стали с рабочим колесом открытого типа
Насосы вертикальные циркуляционные с линейным расположением патрубков
Насосы циркуляционные (мокрый ротор)
Насосы центробежные моноблочные
Насосы погружные для сточных вод
Дренажные насосы
Дренажные насосы (шламовые, водоотливные)
Погружные насосы (скважинные, для колодцев)
Канализационные насосы
Вихревые насосы
Центробежные насосы
Насосные станции
Насосы для подкачки
- Специализированные насосы
- Компрессоры и воздуходувки
- Электродвигатели
- Генераторы
- Аксессуары и комплектующие
Устройство автоматизации и управления электродвигателями водяных насосов Vodotok ЭДД-АС

Обобщенная схема устройства регуляторов:

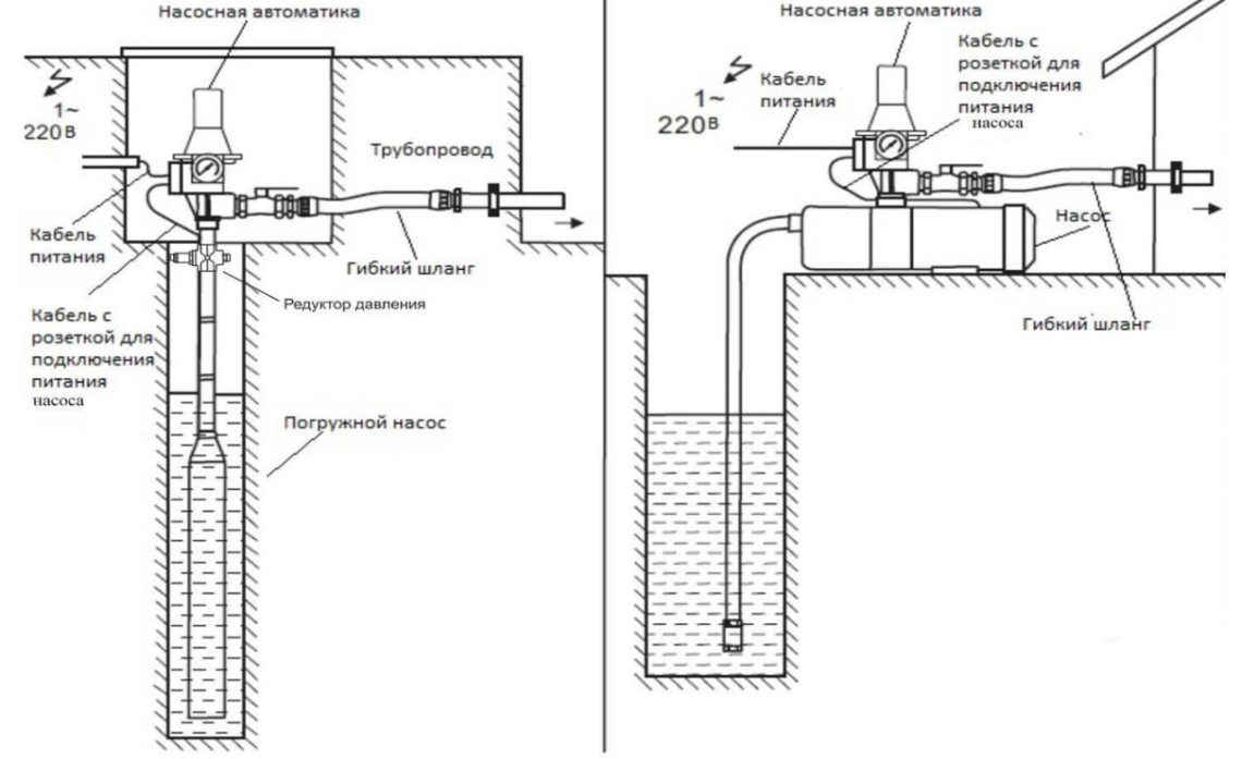
Пример схемы подключения:

Область применения:
Данные устройства предназначены для автоматизации и оптимизации работы насоса. Они автоматически запускают насос при достижении в системе водоснабжения заданного стартового давления и отключают насос при достижении минимального протока жидкости или давления отключения (в зависимости от модели). У моделей ЭДД-11, ЭДД-13, ЭДД-2,2кВт-10Бар-СФ, ЭДД-2Н-2,2кВт 10Бар-СФ, ЭДД-2Р-3кВт имеется возможность установки не только стартового давления, но и давления отключения.
Модели ЭДД-13 и ЭДД-2Р-3кВт также имеют функции: защиты от перегрузки по току, избыточного давления и автоматического перезапуска насоса каждые 24 часа. Насосная автоматика модели ЭДД-2Р-3кВт также имеет встроенную защиту от частых включений и отключений насоса. Устройство модели ЭДД-14 имеет автоматическое защитное отключение насоса при достижении температуры перекачиваемой жидкости +70°С, а также установку стартового давления в диапазоне от 1 до 2,8 бар, с помощью регулятора на панели управления.
Модели ЭДД–2-Р, ЭДД-12-Р снабжены встроенными в корпус розетками для подключения насоса, они не предназначены для установки в помещениях с высокой влажностью, например, в колодцах, скважинах и т. д.
Внимание! Насосную автоматику необходимо устанавливать строго в вертикальном положении. Только автоматику моделей ЭДД-5, ЭДД-6, ЭДД 11, ЭДД-13, ЭДД-14, ЭДД-2,2кВт-10Бар-СФ, ЭДД-2Н-2,2кВт-10Бар-СФ, НАЧ-1,5кВт-10Бар-220В/220В, ЭДД-3кВт-10Бар-СФ можно устанавливать вертикально и горизонтально. Насосная автоматика может поставляться в различных комплектациях, иметь различные опции, а также применяется с насосами для перекачивания чистой пресной воды без содержания твердых частиц и волокнистых включений.
Внимание! Не вынимайте электронную системную плату из устройства! Если Вы используете насос с максимальным давлением более 10 бар, установите на входе устройства редуктор давления. Установку и подключение устройства должен производить квалифицированный специалист.
Остались вопросы по "Устройство автоматизации и управления электродвигателями водяных насосов Vodotok ЭДД-АС"? Звоните нам
Насосы с бензиновым и дизельным двигателем
Газовые насосы
Диафрагменные насосы
Насосы для фонтанов, бассейнов
Насосы прогрессивные полостные (шнековые)
Насосы для перекачки химических жидкостей
Плунжерные насосы
Топливные насосы
Трюмные насосы
Компрессоры автомобильные, инверторы
Компрессоры воздушные
Воздуходувки распыляющие
Воздуходувки электрические
ЭМ
АИР
Vodotok БГИЗ
Vodotok БГИО
БГ
ДГ
Автоматические трубные муфты
Выключатели поплавковые
Частотные преобразователи
Регуляторы механические
Регуляторы электронные
