Каталог
- Насосы
Насосы вертикальные многоступенчатые из нержавеющей стали
Насосы горизонтальные многоступенчатые из нержавеющей стали
Насосы центробежные из нержавеющей стали
Насосы центробежные из нержавеющей стали с рабочим колесом открытого типа
Насосы вертикальные циркуляционные с линейным расположением патрубков
Насосы циркуляционные (мокрый ротор)
Насосы центробежные моноблочные
Насосы погружные для сточных вод
Дренажные насосы
Дренажные насосы (шламовые, водоотливные)
Погружные насосы (скважинные, для колодцев)
Канализационные насосы
Вихревые насосы
Центробежные насосы
Насосные станции
Насосы для подкачки
- Специализированные насосы
- Компрессоры и воздуходувки
- Электродвигатели
- Генераторы
- Аксессуары и комплектующие
Мы работаем только с юр. лицами и ИП
Телефон
8 (800) 201-36-32
Эл. почта
info@rndeco.ru
Генератор бензиновый инверторный закрытого типа Vodotok БГИЗ-4кВт-ЭС-ДУ
Артикул: 015085

Обобщенная схема устройства:

| № | Наименование | № | Наименование |
|---|---|---|---|
| 1 | Крышка топливного бака | 6 | Пробка отверстия для слива масла |
| 2 | Телескопическая ручка | 7 | Боковая крышка генератора |
| 3 | Панель управления | 8 | Крышка отсека батареи |
| 4 | Комбинированный переключатель | 9 | Глушитель |
| 5 | Ручка стартера | 10 | Крышка свечи зажигания |
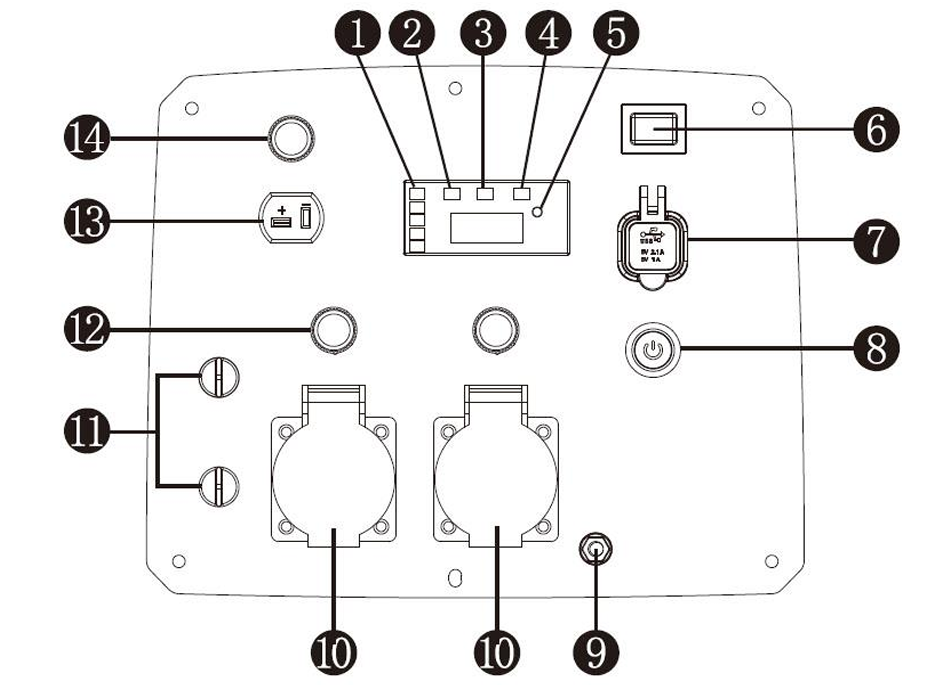
Описание панели управления модели БГИЗ-3,5кВт-ЭС-ДУ:

| № | Наименование | № | Наименование |
|---|---|---|---|
| 1 | Индикатор питания | 8 | Кнопка запуска |
| 2 | Индикатор перегрузки | 9 | Клемма заземления |
| 3 | Индикатор работы | 10 | Выходной разъем переменного тока |
| 4 | Индикатор низкого уровня масла | 11 | Клеммы параллельного подключения |
| 5 | Кнопка возобновления подачи электроэнергии | 12 | Переключатель переменного тока |
| 6 | Кнопка включения/выключения экономичного режима | 13 | Выходной разъем постоянного тока |
| 7 | USB-разъемы | 14 | Переключатель постоянного тока |
Область применения:
Данные генераторы применяются в качестве резервного или аварийного источника питания, а также для временного обеспечения электрической энергией: в доме, магазине, офисе, складе, походе, на даче, стройке и т. д.
Расшифровка обозначений:

Особенности:
- Электрический стартер для удобства эксплуатации.
- Некоторые модели генераторов оснащены колесами и ручками для удобства перемещения.
- Генераторы моделей БГИЗ-2,9кВт-ЭС-ДУ, БГИЗ-3,5кВт-ЭС-ДУ, БГИЗ 4кВт-ЭС-ДУ, БГИЗ-5,5кВт-ЭС-ДУ, БГИЗ-6,5кВт-ЭС-ДУ, БГИЗ-7,5кВт-ЭС ДУ имеют функцию автоматического включения/выключения в зависимости от начала/окончания энергопотребления
- Чистая синусоида выходного напряжения, что позволяет подключать в том числе электронику (компьютеры, медицинское оборудование, аудио- и видеотехнику, современные отопительные котлы и холодильники)
- Низкий уровень шума и расхода топлива
- Компактный размер и легкий вес
- Быстрый и простой запуск
Комплектация:
- Генератор в сборе – 1 шт.
- Свечной ключ – 1 шт.
- Вороток для свечного ключа – 1 шт.
- Гаечный ключ – 1 шт.
- Двусторонняя отвертка – 1 шт.
- Масляная воронка – 1 шт.
- Руководство по эксплуатации – 1 шт.
- Упаковка – 1 шт.
Похожие товары
Остались вопросы по "Генератор бензиновый инверторный закрытого типа Vodotok БГИЗ-4кВт-ЭС-ДУ"? Звоните нам
Насосы с бензиновым и дизельным двигателем
Газовые насосы
Диафрагменные насосы
Насосы для фонтанов, бассейнов
Насосы прогрессивные полостные (шнековые)
Насосы для перекачки химических жидкостей
Плунжерные насосы
Топливные насосы
Трюмные насосы
Компрессоры автомобильные, инверторы
Компрессоры воздушные
Воздуходувки распыляющие
Воздуходувки электрические
ЭМ
АИР
Vodotok БГИЗ
Vodotok БГИО
Автоматические трубные муфты
Выключатели поплавковые
Частотные преобразователи
Регуляторы механические
Регуляторы электронные