- Насосы
Насосы вертикальные многоступенчатые из нержавеющей стали
Насосы горизонтальные многоступенчатые из нержавеющей стали
Насосы центробежные из нержавеющей стали
Насосы центробежные из нержавеющей стали с рабочим колесом открытого типа
Насосы вертикальные циркуляционные с линейным расположением патрубков
Насосы циркуляционные (мокрый ротор)
Насосы центробежные моноблочные
Насосы погружные для сточных вод
Дренажные насосы
Дренажные насосы (шламовые, водоотливные)
Погружные насосы (скважинные, для колодцев)
Канализационные насосы
Вихревые насосы
Центробежные насосы
Насосные станции
Насосы для подкачки
- Специализированные насосы
- Компрессоры и воздуходувки
- Электродвигатели
- Генераторы
- Аксессуары и комплектующие
Насос LEO EJm41C

Характеристики насосов:

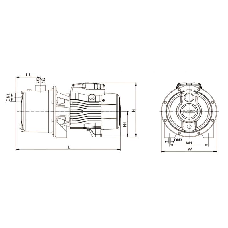
Размерные характеристики:

Обобщенная схема устройства:
| № | Наименование | № | Наименование |
|---|---|---|---|
| 1 | Пробка заливного отверстия | 12 | Подшипник |
| 2 | Пробка сливного отверстия | 13 | Ротор |
| 3 | Насосная камера | 14 | Пружинная шайба |
| 4 | Трубка Вентури | 15 | Упорная ножка |
| 5 | Диффузор | 16 | Статор |
| 6 | Крыльчатка |
17 |
Клеммная панель |
| 7 | О-образное уплотнительное кольцо | 18 | Крышка клеммной панели и пускового конденсатора |
| 8 | Сальник | 19 | Пусковой конденсатор |
| 9 | Задняя крышка насосной камеры | 20 | Задняя крышка мотора (упорная пластина) |
| 10 | Манжета |
21 |
Крыльчатка охлаждения |
| 11 | Суппорт | 22 | Защитная крышка крыльчатки охлаждения |
Данные насосы предназначены для перекачивания пресной чистой воды или других жидкостей с аналогичными физическими и химическими свойствами. Они используются в системах: водоснабжения, полива, увеличения давления, кондиционирования, а также для перекачивания воды из рек, прудов, колодцев, в рыбных, птицеводческих хозяйствах и т. д.
Внимание! Эти насосы не предназначены для питьевого водоснабжения, перекачивания соленой воды, агрессивных, абразивных, легковоспламеняющихся и взрывоопасных жидкостей! Все насосы являются самовсасывающими и не требуют предварительного заполнения насосной камеры водой, за исключением первого пуска.
Насосы моделей EJm41C, EJm61C, EJm81C имеют насосную камеру из высококачественной нержавеющей стали марки AISI 304.
Комплектация:
- Насос в сборе - 1 шт.;
- Лента ФУМ – 1 шт.
- Присоединительный штуцер - 2 шт.
- Обратный клапан – 1 шт.
- Руководство по эксплуатации -1 шт.
- Гарантийный талон - 1 шт.; Упаковка - 1 шт.
Остались вопросы по "Насос LEO EJm41C"? Звоните нам
Насосы с бензиновым и дизельным двигателем
Газовые насосы
Диафрагменные насосы
Насосы для фонтанов, бассейнов
Насосы прогрессивные полостные (шнековые)
Насосы для перекачки химических жидкостей
Плунжерные насосы
Топливные насосы
Трюмные насосы
Компрессоры автомобильные, инверторы
Компрессоры воздушные
Воздуходувки распыляющие
Воздуходувки электрические
ЭМ
АИР
Vodotok БГИЗ
Vodotok БГИО
Автоматические трубные муфты
Выключатели поплавковые
Частотные преобразователи
Регуляторы механические
Регуляторы электронные

