Каталог
- Насосы
Насосы вертикальные многоступенчатые из нержавеющей стали
Насосы горизонтальные многоступенчатые из нержавеющей стали
Насосы центробежные из нержавеющей стали
Насосы центробежные из нержавеющей стали с рабочим колесом открытого типа
Насосы вертикальные циркуляционные с линейным расположением патрубков
Насосы циркуляционные (мокрый ротор)
Насосы центробежные моноблочные
Насосы погружные для сточных вод
Дренажные насосы
Дренажные насосы (шламовые, водоотливные)
Погружные насосы (скважинные, для колодцев)
Канализационные насосы
Вихревые насосы
Центробежные насосы
Насосные станции
Насосы для подкачки
- Специализированные насосы
- Компрессоры и воздуходувки
- Электродвигатели
- Аксессуары и комплектующие
Мы работаем только с юр. лицами и ИП
Телефон
8 (800) 201-36-32
Эл. почта
info@rndeco.ru
Насос центробежный LEO Xgm/1A
Артикул: 015307

Характеристики насосов:

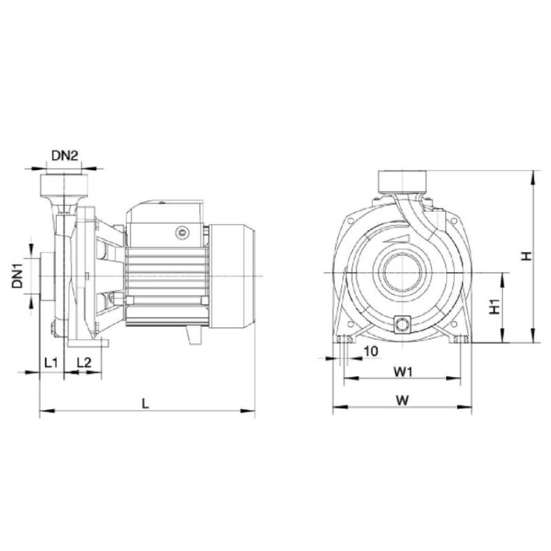
Установочные размеры:

Область применения:
Данные насосы предназначены для перекачивания пресной чистой воды и других жидкостей с аналогичными физическими и химическими свойствами. Они используются для водоснабжения, полива садов, огородов, приусадебных участков, а также в системах: циркуляции, кондиционирования, ирригации, увеличения давления жидкости, снабжения жидкостью промышленного, вспомогательного оборудования и т. д.
Расшифровка обозначений:

Обобщенная схема устройства насосов:

| № | Наименование | № | Наименование |
|---|---|---|---|
| 1 | Корпус насоса | 7 | Ротор |
| 2 | Рабочее колесо | 8 | Статор |
| 3 | Механическое уплотнение | 9 | Конденсатор |
| 4 | Задняя крышка насоса | 10 | Задняя крышка |
| 5 | Сальник | 11 | Вентилятор |
| 6 | Подшипник | 12 | Крышка вентилятора |
Похожие товары
9 110 ₽
Остались вопросы по "Насос центробежный LEO Xgm/1A"? Звоните нам
Насосы с бензиновым и дизельным двигателем
Газовые насосы
Диафрагменные насосы
Насосы для фонтанов, бассейнов
Насосы прогрессивные полостные (шнековые)
Насосы для перекачки химических жидкостей
Плунжерные насосы
Топливные насосы
Трюмные насосы
Компрессоры автомобильные, инверторы
Компрессоры воздушные
Воздуходувки распыляющие
Воздуходувки электрические
ЭМ
Автоматические трубные муфты
Выключатели поплавковые
Частотные преобразователи

