- Насосы
Насосы вертикальные многоступенчатые из нержавеющей стали
Насосы горизонтальные многоступенчатые из нержавеющей стали
Насосы центробежные из нержавеющей стали
Насосы центробежные из нержавеющей стали с рабочим колесом открытого типа
Насосы вертикальные циркуляционные с линейным расположением патрубков
Насосы циркуляционные (мокрый ротор)
Насосы центробежные моноблочные
Насосы погружные для сточных вод
Дренажные насосы
Дренажные насосы (шламовые, водоотливные)
Погружные насосы (скважинные, для колодцев)
Канализационные насосы
Вихревые насосы
Центробежные насосы
Насосные станции
Насосы для подкачки
- Специализированные насосы
- Компрессоры и воздуходувки
- Электродвигатели
- Генераторы
- Аксессуары и комплектующие
Насос горизонтальный многоступенчатый CNP CHL2-60 (высокотемпературное исполнение)

Расшифровка обозначений:

Характеристики насосов:

Используемые материалы серии 2 — 4:
| № | Части | Материал | AISI/ASTM |
|---|---|---|---|
| 1 | Корпус | Нержавеющая сталь | AISI304 |
| 2 | Патрубок | Нержавеющая сталь | AISI304 |
| 3 | Зажимный диск | Нержавеющая сталь | AISI304 |
| 4 | Колесо рабочее | Нержавеющая сталь | AISI304 |
| 5 | Вал | Нержавеющая сталь | AISI304 |
| 6 | Пробка | Нержавеющая сталь | AISI304 |
| 7 | Диффузор | Нержавеющая сталь | AISI304 |
| 8 | Уплотнение торцевое | ||
| 9 | Фланцевый переходной | Алюминиевый сплав | |
| 10 | Плита основания | Чугун | ASTM25B |
| 11 | Стяжной хомут | Нержавеющая сталь | AISI304 |
| 12 | Диффузор | Нержавеющая сталь | AISI304 |
| 13 | Опорный диффузор | Нержавеющая сталь | AISI304 |
| 14 | Стяжной винт | Нержавеющая сталь | AISI304 |
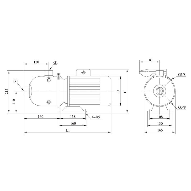
Габаритно-присоединительные размеры:

Насосы CHL — горизонтальные многоступенчатые центробежные моноблочные насосы нормального всасывания, с осевым всасывающим и радиальным напорным патрубками. Насосы компактны и обладают прочной конструкцией, имеют осевой вход и радиальный выход.
Область применения:
Насосы CHL в основном используются в промышленности:
- Водоснабжение
- Системы кондиционирования воздуха
- Системы охлаждения, циркуляции, водоподготовки
- Система орошения
- Санитарно-техническое оборудование
- Установки повышения давления
Электродвигатель:
Насосы CHL компонуются асинхронными электродвигателями с вентиляторным охлаждением.
- Степень защиты: IP55
- Класс изоляции: F
- Класс энергоэффективности: IE2 (IE3 по запросу)
- Частота: 50 Гц
- Напряжение питания:
- 1 x 220-240 В, 50 Гц
- 3 x 220-240 В/380-415 В, 50 Гц
- Максимальная мощность однофазного двигателя P1 = 2,4 кВт
Условия эксплуатации:
- Подходит для работы с чистыми, неагрессивными и взрывобезопасными жидкостями, не содержащими твердых или длинноволокнистых включений, физические и химические свойства которых близки к в оде.
- Температура жидкости:
- стандартное исполнение: от -15°С до +70°С
- высокотемпературное исполнение: от - 15°C до + 120°С
- Температура окружающей среды: до +40°C
- Высота над уровнем моря: до 1000 м
Остались вопросы по "Насос горизонтальный многоступенчатый CNP CHL2-60 (высокотемпературное исполнение)"? Звоните нам
Насосы с бензиновым и дизельным двигателем
Газовые насосы
Диафрагменные насосы
Насосы для фонтанов, бассейнов
Насосы прогрессивные полостные (шнековые)
Насосы для перекачки химических жидкостей
Плунжерные насосы
Топливные насосы
Трюмные насосы
Компрессоры автомобильные, инверторы
Компрессоры воздушные
Воздуходувки распыляющие
Воздуходувки электрические
ЭМ
АИР
Vodotok БГИЗ
Vodotok БГИО
Автоматические трубные муфты
Выключатели поплавковые
Частотные преобразователи
Регуляторы механические
Регуляторы электронные

