
Каталог
- Насосы
Насосы вертикальные многоступенчатые из нержавеющей стали
Насосы горизонтальные многоступенчатые из нержавеющей стали
Насосы центробежные из нержавеющей стали
Насосы центробежные из нержавеющей стали с рабочим колесом открытого типа
Насосы вертикальные циркуляционные с линейным расположением патрубков
Насосы циркуляционные (мокрый ротор)
Насосы центробежные моноблочные
Насосы погружные для сточных вод
Дренажные насосы
Дренажные насосы (шламовые, водоотливные)
Погружные насосы (скважинные, для колодцев)
Канализационные насосы
Вихревые насосы
Центробежные насосы
Насосные станции
Насосы для подкачки
- Специализированные насосы
- Компрессоры и воздуходувки
- Аксессуары и комплектующие
Мы работаем только с юр. лицами и ИП
Телефон
8 (800) 201-36-32
Эл. почта
info@rndeco.ru
Насос Vodotok EDH4-3
Артикул: 006920
Популярный товар

Характеристики насосов серии 4:

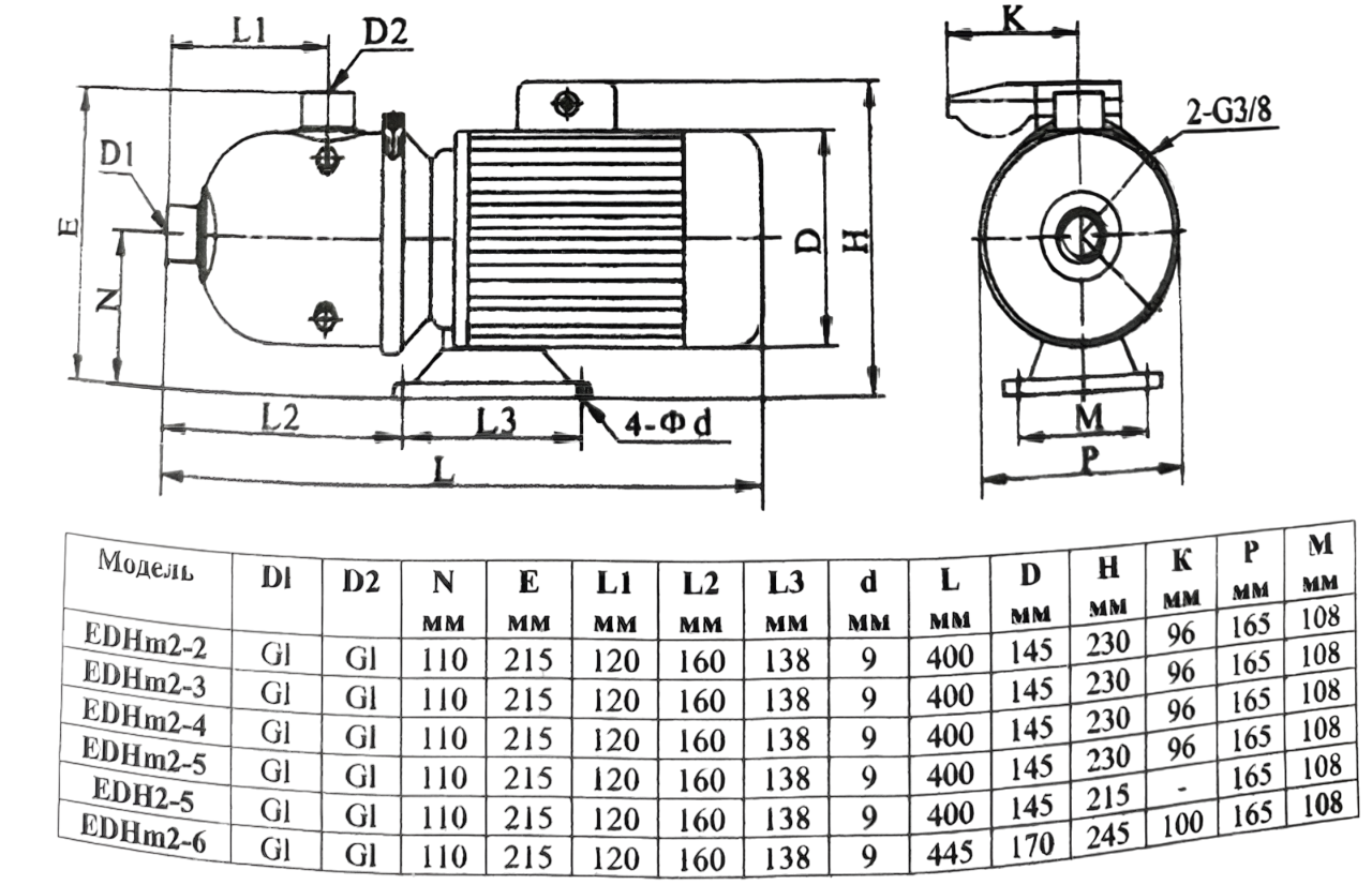
Размерные характеристики:

Область применения:
Применяется в бытовом водоснабжении, водоснабжении оборудования, опрессовке трубопроводов, поливе садов, оранжерей, в животноводстве и разведении рыбы, применяется в промышленных предприятиях и горном деле, водоснабжении и водоотведении в промышленности с высотном строительстве, системах центрального кондиционирования и отопления и т.д.
Насос:
- Вал из нержавеющей стали AISI 304
- Максимальная температура жидкости: +85 ℃
- Высота: до 1000 метров над уровнем моря
- Максимальная высота всасывания: 8 м
- Максимальное входное давление: ограничено максимальным рабочим давлением
Двигатель:
- Двигатель с медной обмоткой
- Встроенная термозащита (для однофазных двигателей)
- Электродвигатель IE2 стандарт, электродвигатель IE3 по запросу
- Класс изоляции: F
- Класс защиты: IP55
- Максимальная температура окружающей среды: +40 ℃

Используемые материалы:

№ | Части | Материал | ||
---|---|---|---|---|
1 | Корпус насоса | AISI 304 (Нержавеющая сталь) | ||
2 | Держатель | ZL 102 (Алюминий) | ||
3 | Нижнее основание | Cast iron (Чугун) | ||
4 | Статор | |||
5 | Ротор | |||
6 | Подшипник | |||
7 | Задняя крышка | ZL 102 (Алюминий) | ||
8 | Вентилятор | PP (Полипропилен) | ||
9 | Крышка вентилятора | 08F (Сталь) | ||
10 | Крышка | AISI 304 (Нержавеющая сталь) | ||
11 | Механическое уплотнение |
|
||
12 | Позиционирование рукав | AISI 304 (Нержавеющая сталь) | ||
13 | Диффузор 3 | AISI 304 (Нержавеющая сталь) | ||
14 | Диффузор 2 | AISI 304 (Нержавеющая сталь) | ||
15 | Втулка | AISI 304 (Нержавеющая сталь) | ||
16 | Рабочее колесо | AISI 304 (Нержавеющая сталь) | ||
17 | Диффузор 1 | AISI 304 (Нержавеющая сталь) | ||
18 | Прижимная пластина | AISI 304 (Нержавеющая сталь) | ||
19 | Уплотнительная втулка | AISI 304 (Нержавеющая сталь) |
Похожие товары
10 650 ₽
Остались вопросы по "Насос Vodotok EDH4-3"? Звоните нам