- Насосы
Насосы вертикальные многоступенчатые из нержавеющей стали
Насосы горизонтальные многоступенчатые из нержавеющей стали
Насосы центробежные из нержавеющей стали
Насосы центробежные из нержавеющей стали с рабочим колесом открытого типа
Насосы вертикальные циркуляционные с линейным расположением патрубков
Насосы циркуляционные (мокрый ротор)
Насосы центробежные моноблочные
Насосы погружные для сточных вод
Дренажные насосы
Дренажные насосы (шламовые, водоотливные)
Погружные насосы (скважинные, для колодцев)
Канализационные насосы
Вихревые насосы
Центробежные насосы
Насосные станции
Насосы для подкачки
- Специализированные насосы
- Компрессоры и воздуходувки
- Электродвигатели
- Генераторы
- Аксессуары и комплектующие
Насос многоступенчатый Vodotok НИМ-9м³/ч-40м-2300Вт

Насос многоступенчатый инверторный постоянного давления с синхронным мотором на постоянных магнитах.
Характеристики насосов:
/NIM-C-MP_Q_8_9_1200_1500_2300.png)
Установочные размеры:
/NIM-C-MP_pack_size_8_9_1200_1500_2300.png)
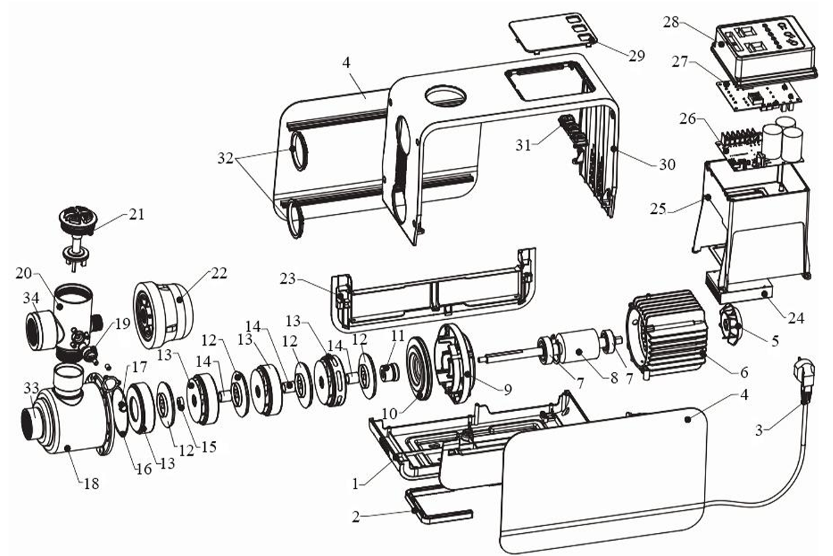
Обобщенная схема устройства насоса:
/NIM-C-MP_scheme_2.png)
| № | Наименование | № | Наименование |
|---|---|---|---|
| 1 | Основание | 18 | Насосная камера |
| 2 | Амортизирующий вкладыш | 19 | Датчик давления |
| 3 | Штепсель сетевого кабеля | 20 | Фитинг |
| 4 | Боковая сторона кожуха | 21 | Пробка заливного отверстия |
| 5 | Крыльчатка охлаждения | 22 | Расширительный бак |
| 6 | Статор | 23 | Боковой каркас |
| 7 | Подшипник | 24 | Охлаждающая деталь |
| 8 | Ротор | 25 | Держатель инвертора |
| 9 | Упорная пластина | 26 | Плата управления |
| 10 | Задняя крышка насосной камеры | 27 | Панель управления |
| 11 | Торцевое уплотнение (сальник) | 28 | Крышка инвертора |
| 12 | Крыльчатка | 29 | Панель дисплея |
| 13 | Диффузор | 30 | Кожух насоса. |
| 14 | Втулка (широкая) | 31 | Кнопки управления |
| 15 | Втулка (узкая) | 32 | Уплотнительные кольца |
| 16 | О-образное уплотнительное кольцо | 33 | Входной патрубок |
| 17 | Датчик температуры | 34 | Выходной патрубок |
Область применения:
-
Насосы серии НИМ предназначены для перекачивания пресной чистой воды и других жидкостей с аналогичными физическими и химическими свойствами. Они используются для водоснабжения, подачи воды в офисные здания, дома, гостиницы, торговые предприятия, промышленные объекты, заведения общественного питания, а также в системах отопления, вентиляции, кондиционирования и т. д.
-
Насосы серии НИМС-МР предназначены для перекачивания пресной чистой воды и других жидкостей с аналогичными физическими и химическими свойствами. Они используются для водоснабжения, увеличения давления жидкости в магистральных трубопроводах, резервуарах, водонапорных башнях, при подаче воды в офисные здания, дома, гостиницы, торговые предприятия, промышленные объекты, заведения общественного питания и т. д., а также для перекачивания жидкости из колодцев, прудов и т. д.
-
Особенности:
- Встроенный инвертор, осуществляющий частотное регулирование оборотов мотора для поддержания постоянного давления жидкости на выходе, вне зависимости от объема потребления.
- Встроенный датчик давления, автоматически включающий насос при снижении давления в системе водоснабжения и выключающий его при прекращении водопотребления.
- Защитный кожух, снижающий уровень шума и предотвращающий попадание влаги на статор и инвертор.
- Все части, контактирующие с водой, имеют антикоррозийное покрытие или изготовлены из неподдающихся коррозии материалов.
- Сердечники статора и ротора насоса изготовлены из холоднокатаной стали, что значительно улучшает их характеристики.
- Медная обмотка статора, имеющая повышенные индукционные характеристики.
- Встроенная в контроллер инвертора термозащита, предотвращающая перегрев мотора.
Расшифровка обозначений:
/NIM-S_decod.png)
Остались вопросы по "Насос многоступенчатый Vodotok НИМ-9м³/ч-40м-2300Вт"? Звоните нам
Насосы с бензиновым и дизельным двигателем
Газовые насосы
Диафрагменные насосы
Насосы для фонтанов, бассейнов
Насосы прогрессивные полостные (шнековые)
Насосы для перекачки химических жидкостей
Плунжерные насосы
Топливные насосы
Трюмные насосы
Компрессоры автомобильные, инверторы
Компрессоры воздушные
Воздуходувки распыляющие
Воздуходувки электрические
ЭМ
АИР
Vodotok БГИЗ
Vodotok БГИО
БГ
ДГ
Автоматические трубные муфты
Выключатели поплавковые
Частотные преобразователи
Регуляторы механические
Регуляторы электронные

