- Насосы
Насосы вертикальные многоступенчатые из нержавеющей стали
Насосы горизонтальные многоступенчатые из нержавеющей стали
Насосы центробежные из нержавеющей стали
Насосы центробежные из нержавеющей стали с рабочим колесом открытого типа
Насосы вертикальные циркуляционные с линейным расположением патрубков
Насосы циркуляционные (мокрый ротор)
Насосы центробежные моноблочные
Насосы погружные для сточных вод
Дренажные насосы
Дренажные насосы (шламовые, водоотливные)
Погружные насосы (скважинные, для колодцев)
Канализационные насосы
Вихревые насосы
Центробежные насосы
Насосные станции
Насосы для подкачки
- Специализированные насосы
- Компрессоры и воздуходувки
- Электродвигатели
- Генераторы
- Аксессуары и комплектующие
Насос канализационный Vodotok Hi-Flow 800 с ЧП

Характеристики насосов:

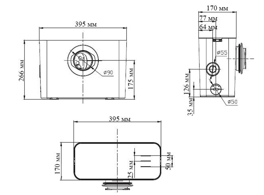
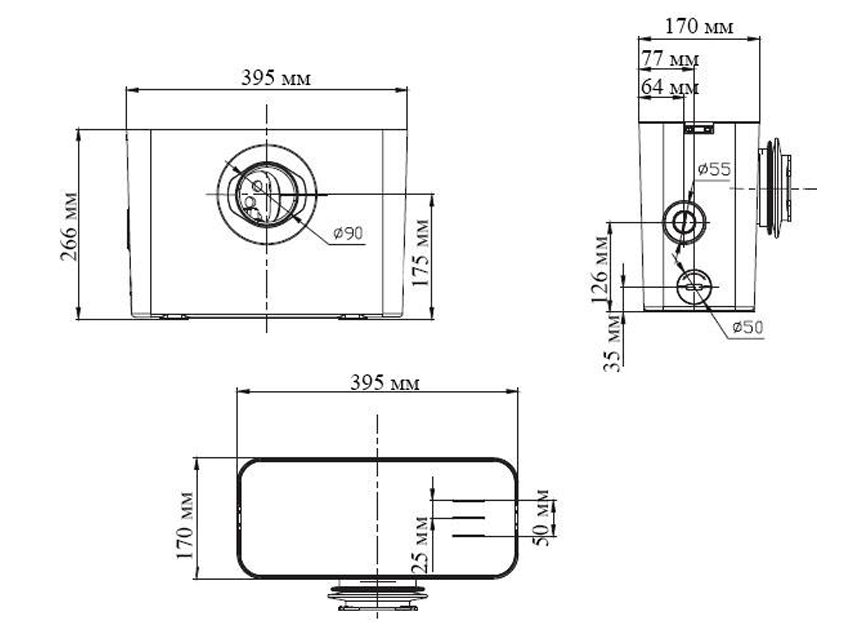
Установочные размеры:

Область применения:
Данный насос предназначен для перекачивания сточных вод и измельчения нетвердых включений, содержащихся в них, от унитаза, кухонной мойки, ванны, душевой кабины, стиральной машины, раковины и т. д. Он используется для удаления сточных вод от бытовых санитарно-технических приборов, находящихся ниже уровня коллектора канализационной системы, а также в местах, где невозможно или нецелесообразно организовать канализацию самотеком.
Особенности:
- Три уровня мощности на выбор
- Удобство установки, эксплуатации и технического обслуживания
- Встроенная термическая защита, предотвращающая перегрев мотора
- Низкий уровень шума
- Возможность подключения смартфона к насосу через Bluetooth и дистанционного управления насосом с помощью смартфона
- Мотор на постоянных магнитах и частотный преобразователь скорости вращения ротора
Внимание! Запрещается подключать к насосу нештатный частотный преобразователь! Поломки, возникшие в случае нарушения данного требования, будут являться негарантийными.
Комплектация:
- Насос в сборе – 1 шт.
- Угловой выходной соединительный патрубок – 1 шт.
- Входной соединительный патрубок - 2 шт.
- Трубная муфта - 2 шт.
- Ключ – 1 шт.
- Заглушка отверстия для унитаза - 1 шт.
- Соединительная муфта - 1 шт.
- Комплект хомутов – 1 комплект
- Руководство по эксплуатации – 1 шт.
- Упаковка – 1 шт.
Обобщенная схема устройства насосов:

Примеры установки насоса:

Остались вопросы по "Насос канализационный Vodotok Hi-Flow 800 с ЧП"? Звоните нам
Насосы с бензиновым и дизельным двигателем
Газовые насосы
Диафрагменные насосы
Насосы для фонтанов, бассейнов
Насосы прогрессивные полостные (шнековые)
Насосы для перекачки химических жидкостей
Плунжерные насосы
Топливные насосы
Трюмные насосы
Компрессоры автомобильные, инверторы
Компрессоры воздушные
Воздуходувки распыляющие
Воздуходувки электрические
ЭМ
АИР
Vodotok БГИЗ
Vodotok БГИО
Автоматические трубные муфты
Выключатели поплавковые
Частотные преобразователи
Регуляторы механические
Регуляторы электронные
