- Насосы
Насосы вертикальные многоступенчатые из нержавеющей стали
Насосы горизонтальные многоступенчатые из нержавеющей стали
Насосы центробежные из нержавеющей стали
Насосы центробежные из нержавеющей стали с рабочим колесом открытого типа
Насосы вертикальные циркуляционные с линейным расположением патрубков
Насосы циркуляционные (мокрый ротор)
Насосы центробежные моноблочные
Насосы погружные для сточных вод
Дренажные насосы
Дренажные насосы (шламовые, водоотливные)
Погружные насосы (скважинные, для колодцев)
Канализационные насосы
Вихревые насосы
Центробежные насосы
Насосные станции
Насосы для подкачки
- Специализированные насосы
- Компрессоры и воздуходувки
- Электродвигатели
- Генераторы
- Аксессуары и комплектующие
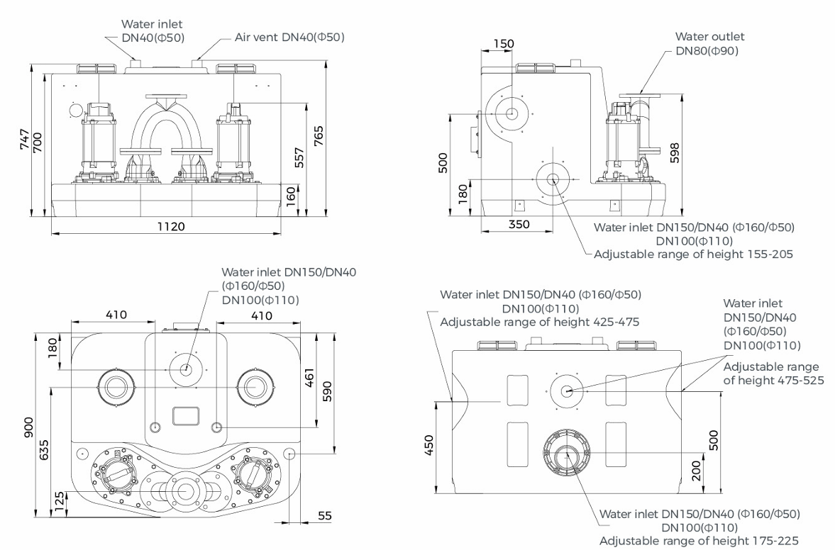
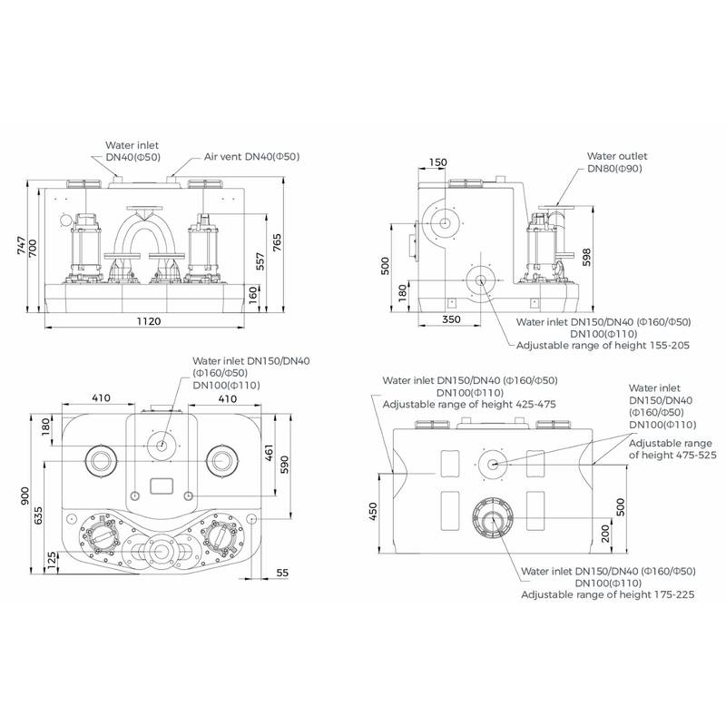
Насосная станция канализационная LEO WT450-35-15-3.7×2-WPA

Характеристики насосов:

Размерные характеристики:

Область применения:
Данные насосные станции предназначены для перекачивания сточных вод и измельчения нетвердых включений, содержащихся в них, от унитаза, ванной, душевой кабины, биде, стиральной машины, раковины и т. д. Они позволяют удалять сточные воды от бытовых санитарно-технических приборов, находящихся ниже уровня коллектора канализационной системы и в местах, где невозможно или нецелесообразно организовать канализацию самотеком. Эти станции используются в квартирах, домах, коттеджах, коммерческих и промышленных объектах и т. д.
Расшифровка обозначений:

Остались вопросы по "Насосная станция канализационная LEO WT450-35-15-3.7×2-WPA"? Звоните нам
Насосы с бензиновым и дизельным двигателем
Газовые насосы
Диафрагменные насосы
Насосы для фонтанов, бассейнов
Насосы прогрессивные полостные (шнековые)
Насосы для перекачки химических жидкостей
Плунжерные насосы
Топливные насосы
Трюмные насосы
Компрессоры автомобильные, инверторы
Компрессоры воздушные
Воздуходувки распыляющие
Воздуходувки электрические
ЭМ
АИР
Vodotok БГИЗ
Vodotok БГИО
Автоматические трубные муфты
Выключатели поплавковые
Частотные преобразователи
Регуляторы механические
Регуляторы электронные

