- Насосы
Насосы вертикальные многоступенчатые из нержавеющей стали
Насосы горизонтальные многоступенчатые из нержавеющей стали
Насосы центробежные из нержавеющей стали
Насосы центробежные из нержавеющей стали с рабочим колесом открытого типа
Насосы вертикальные циркуляционные с линейным расположением патрубков
Насосы циркуляционные (мокрый ротор)
Насосы центробежные моноблочные
Насосы погружные для сточных вод
Дренажные насосы
Дренажные насосы (шламовые, водоотливные)
Погружные насосы (скважинные, для колодцев)
Канализационные насосы
Вихревые насосы
Центробежные насосы
Насосные станции
Насосы для подкачки
- Специализированные насосы
- Компрессоры и воздуходувки
- Электродвигатели
- Генераторы
- Аксессуары и комплектующие
Насос вертикальный одноступенчатый циркуляционный CNP TD50-80G/2 (высокое давление)

Характеристики насосов:

Используемые материалы серии 32 — 150:
| № | Части | Материал |
|---|---|---|
| 1 | Корпус | Чугун HT200 |
| 2 | Колесо рабочее |
Чугун / Нержавеющая сталь HT200 / ZG07Cr19Ni9 |
| 3 | Фланец переходной | Чугун HT200 |
| 4 | Уплотнение торцевое | Карбид графита / Карбид кремния |
| 5 | Пластина защитная |
Нержавеющая сталь 06Cr19Ni10 |
| 6 | Вал | Нержавеющая сталь 20Cr13 |
| 7 | Винт предохранительного клапана | Нержавеющая сталь 20Cr13 |
| 8 | O-ring | NBR |
| 9 | Заглушка | Нержавеющая сталь 20Cr13 |
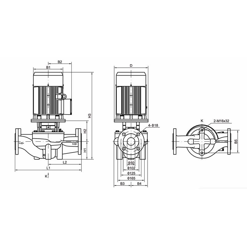
Габаритно-присоединительные размеры:

Размеры плиты-основания:

Насосы серии TD - это одноступенчатые центробежные вертикальные насосы типа «in line», которые оборудованы стандартным электродвигателем и торцевым уплотнением. Конструкция данных насосов с «сухим» ротором делает их менее чувствительными к включениям в перекачиваемой среде по сравнению с подобными насосами с «мокрым» ротором. Насосы сконструированы так, чтобы их можно было снять с трубопровода без разборки системы. Следовательно, даже для самых больших сервисные работы могут быть проведены лишь одним человеком.
Область применения:
Насос TD - универсальный продукт, который может перекачивать различные среды: от водопроводной воды до промышленных жидкостей. В основном используется в качестве оборудования для перекачки, нагнетания и циркуляции:
- Системы вентиляции и кондиционирования
- Системы охлаждения
- Системы горячего и холодного водоснабжения
- Перекачка промышленных жидкостей
- Система зонального отопления
Расшифровка обозначений:

Электродвигатель:
Двухполюсные и четырёхполюсные электродвигатели с воздушным охлаждением.
- Степень защиты: lP55
- Класс изоляции: F
- Стандартное напряжение 50Гц:
- 1 х220-230/240В
- Зх200-220/346-380В
- Зх220-240/380-415В
Условия эксплуатации:
Подходит для работы с чистыми маловязкими неагрессивными и взрывобезопасными жидкостями без твёрдых или длинноволокнистых включений. Жидкость не должна механически или химически воздействовать на материал насоса. Если кинематическая вязкость или плотность перекачиваемой среды выше, чем у воды, гидравлические характеристики насоса снижаются, а потребляемая мощность увеличивается.
- Температура перекачиваемой жидкости: от -15°С до 110°С
- Максимальное рабочее давление: 12 бар
- Максимальная температура окружающей среды: +40°С
- Максимальная высота над уровнем моря: 1000 м.
Конструкция:
Насосы серии ТD являются моноблочными, и состоят из стандартного асинхронного электродвигателя и насосной части, которые соединены переходным фланцем. Входной и выходной патрубки имеют одинаковые диаметры и расположены на одной линии. Концевое уплотнение вала -торцовое, одинарное, неразгруженное. Уплотнение насосной камеры -уплотнительное кольцо круглого сечения.
Вал насоса жёстко соединён с валом электродвигателя при помощи специальной муфты. Конструкция насоса позволяет снять головную часть насоса (двигатель с переходным фланцем и рабочим колесом) без полного демонтажа с трубопровода.
При техническом обслуживании для изоляции от трубопровода может использоваться глухой фланец.
Размер соединительных фланцев насосов соответствует стандарту GB / Т 17 241 .6, ISO7005-2 класс давления - PN16.
Диаметры входа и выхода продукции соответствует стандартному размеру.
Остались вопросы по "Насос вертикальный одноступенчатый циркуляционный CNP TD50-80G/2 (высокое давление)"? Звоните нам
Насосы с бензиновым и дизельным двигателем
Газовые насосы
Диафрагменные насосы
Насосы для фонтанов, бассейнов
Насосы прогрессивные полостные (шнековые)
Насосы для перекачки химических жидкостей
Плунжерные насосы
Топливные насосы
Трюмные насосы
Компрессоры автомобильные, инверторы
Компрессоры воздушные
Воздуходувки распыляющие
Воздуходувки электрические
ЭМ
АИР
Vodotok БГИЗ
Vodotok БГИО
Автоматические трубные муфты
Выключатели поплавковые
Частотные преобразователи
Регуляторы механические
Регуляторы электронные

