Каталог
Мы работаем только с юр. лицами и ИП
Телефон
8 (800) 201-36-32
Эл. почта
info@rndeco.ru
0

Насос вертикальный одноступенчатый циркуляционный CNP TD80-18G/2 (высокое давление)

Артикул: TD80-18G/2SWSTJ
CNP
Цена по запросу
Тип насоса: Вертикальный одноступенчатый циркуляционный в одну линию
Мощность: 4 кВт

Все характеристики

Доставка

Отправляем товары по России ТК Деловые Линии или СДЭК

Самовывоз в г. Ростове-на-Дону

  • Тип насоса
    Вертикальный одноступенчатый циркуляционный в одну линию
  • Напряжение / частота, Вт / Гц
    380 / 50
  • Производительность в диапазоне, м3/час
    10 - 70
  • Мощность, кВт
    4
  • Максимальная высота всасывания, м
    23.2
  • Номинальная производительность, м3/час
    50
  • Номинальный напор, м
    18
  • Максимальное рабочее давление, бар
    16
  • Число полюсов двигателя
    2
  • Номинальная частота вращения, об/мин
    2900
  • Вес нетто, кг
    70
  • Класс защиты
    IP55
  • Класс изоляции
    F
  • Максимальная температура перекачиваемой жидкости, °C
    -15...+110
  • Максимальная температура окружающей среды
    +40
  • Высотное ограничение (над уровнем моря), м
    1000
  • Материал рабочего колеса
    Нержавеющая сталь AISI 304
  • Проточная часть
    Чугун
  • Тип уплотнения
    Стандартное
  • Тип плиты
    A
  • Диаметр патрубков, дюйм
    80

Характеристики насосов:

Насос вертикальный одноступенчатый циркуляционный CNP TD80-18G/2 (высокое давление)

Используемые материалы серии 32 — 150:

Насос вертикальный одноступенчатый циркуляционный CNP TD80-18G/2 (высокое давление)
Части Материал
1 Корпус Чугун HT200
2 Колесо рабочее

Чугун / Нержавеющая сталь

HT200 / ZG07Cr19Ni9

3 Фланец переходной Чугун HT200
4 Уплотнение торцевое Карбид графита / Карбид кремния 
5 Пластина защитная

Нержавеющая сталь 06Cr19Ni10

6 Вал Нержавеющая сталь 20Cr13
7 Винт предохранительного клапана Нержавеющая сталь 20Cr13
8 O-ring NBR
9 Заглушка Нержавеющая сталь 20Cr13

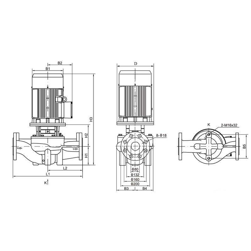
Габаритно-присоединительные размеры:

Насос вертикальный одноступенчатый циркуляционный CNP TD80-18G/2 (высокое давление)

Размеры плиты-основания:

Насос вертикальный одноступенчатый циркуляционный CNP TD80-18G/2 (высокое давление)

Насосы серии TD - это одноступенчатые центробежные вертикальные насосы типа «in line», которые оборудованы стандартным электродвигателем и торцевым уплотнением. Конструкция данных насосов с «сухим» ротором делает их менее чувствительными к включениям в перекачиваемой среде по сравнению с подобными насосами с «мокрым» ротором. Насосы сконструированы так, чтобы их можно было снять с трубопровода без разборки системы. Следовательно, даже для самых больших сервисные работы могут быть проведены лишь одним человеком.

Область применения:

Насос TD - универсальный продукт, который может перекачивать различные среды: от водопроводной воды до промышленных жидкостей. В основном используется в качестве оборудования для перекачки, нагнетания и циркуляции:

  • Системы вентиляции и кондиционирования
  • Системы охлаждения
  • Системы горячего и холодного водоснабжения
  • Перекачка промышленных жидкостей
  • Система зонального отопления

Расшифровка обозначений:

Насос вертикальный одноступенчатый циркуляционный CNP TD80-18G/2 (высокое давление)

Электродвигатель:

Двухполюсные и четырёхполюсные электродвигатели с воздушным охлаждением.

  • Степень защиты: lP55
  • Класс изоляции: F
  • Стандартное напряжение 50Гц:
    • 1 х220-230/240В
    • Зх200-220/346-380В
    • Зх220-240/380-415В

Условия эксплуатации:

Подходит для работы с чистыми маловязкими неагрессивными и взрывобезопасными жидкостями без твёрдых или длинноволокнистых включений. Жидкость не должна механически или химически воздействовать на материал насоса. Если кинематическая вязкость или плотность перекачиваемой среды выше, чем у воды, гидравлические характеристики насоса снижаются, а потребляемая мощность увеличивается.

  • Температура перекачиваемой жидкости: от -15°С до 110°С
  • Максимальное рабочее давление: 12 бар
  • Максимальная температура окружающей среды: +40°С
  • Максимальная высота над уровнем моря: 1000 м.

Конструкция:

Насосы серии ТD являются моноблочными, и состоят из стандартного асинхронного электродвигателя и насосной части, которые соединены переходным фланцем. Входной и выходной патрубки имеют одинаковые диаметры и расположены на одной линии. Концевое уплотнение вала -торцовое, одинарное, неразгруженное. Уплотнение насосной камеры -уплотнительное кольцо круглого сечения.

Вал насоса жёстко соединён с валом электродвигателя при помощи специальной муфты. Конструкция насоса позволяет снять головную часть насоса (двигатель с переходным фланцем и рабочим колесом) без полного демонтажа с трубопровода.

При техническом обслуживании для изоляции от трубопровода может использоваться глухой фланец.

Размер соединительных фланцев насосов соответствует стандарту GB / Т 17 241 .6, ISO7005-2 класс давления - PN16.

Диаметры входа и выхода продукции соответствует стандартному размеру.

 

Остались вопросы по "Насос вертикальный одноступенчатый циркуляционный CNP TD80-18G/2 (высокое давление)"? Звоните нам

8 (800) 201-36-32

Написать в Telegram Позвонить
Написать в Telegram
Позвонить
×
Мы используем файлы cookie. Чтобы улучшить работу сайта и предоставить Вам больше возможностей. Продолжая использовать сайт, вы соглашаетесь с условиями использования cookie.
OK