- Насосы
Насосы вертикальные многоступенчатые из нержавеющей стали
Насосы горизонтальные многоступенчатые из нержавеющей стали
Насосы центробежные из нержавеющей стали
Насосы центробежные из нержавеющей стали с рабочим колесом открытого типа
Насосы вертикальные циркуляционные с линейным расположением патрубков
Насосы циркуляционные (мокрый ротор)
Насосы центробежные моноблочные
Насосы погружные для сточных вод
Дренажные насосы
Дренажные насосы (шламовые, водоотливные)
Погружные насосы (скважинные, для колодцев)
Канализационные насосы
Вихревые насосы
Центробежные насосы
Насосные станции
Насосы для подкачки
- Специализированные насосы
- Компрессоры и воздуходувки
- Электродвигатели
- Генераторы
- Аксессуары и комплектующие
Насос вертикальный многоступенчатый CNP CDMF200-2 (высокотемпературное исполнение)

Расшифровка обозначений серии 200:

Характеристики насосов:

Используемые материалы серии 120-150-200:

| № | Части | Материал | AISI/ASTM |
|---|---|---|---|
| 1 | Электродвигатель | ||
| 2 | Фланцевый адаптер | Чугун | ASTM A536 70-50-05 |
| 3 | Крышка | Нержавеющая сталь | AISI 304 |
| 4 | Торцевое уплотнение | Карбид вольфрама /Графит | |
| 5 | Верхний диффузор | Нержавеющая сталь | AISI 304 |
| 6 | Диффузор | Нержавеющая сталь | AISI 304 |
| 7 | Опорный диффузор | Нержавеющая сталь | AISI 304 |
| 8 | Индуктор | Нержавеющая сталь | AISI 304 |
| 9 | Корпус | Нержавеющая сталь | AISI 304 |
| 10 | Основание | Чугун | ASTM A536 70-50-05 |
| 12 | Рабочее колесо | Нержавеющая сталь | AISI 304 |
| 13 | Вал | Нержавеющая сталь | AISI 304 |
| 14 | Втулка | Карбид вольфрама | |
| 15 | Цилиндр | Нержавеющая сталь | AISI 304 |
| 16 | Муфта | Углеродистая сталь |
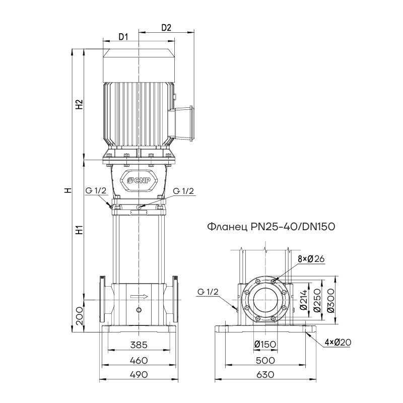
Габаритно-присоединительные размеры:

Насосы CDMF — это высокоэффективные несамовсасывающие вертикальные многоступенчатые центробежные насосы нового поколения, разработанные в соответствии с европейскими стандартами. Насосы являются энергосберегающими (MEI≥0,7), малошумными, а также имеют компактную и удобную конструкцию.
Область применения:
Насосы CDMF предназначены для перекачивания различных жидкостей - от питьевой воды до промышленных жидкостей в широких диапазонах температуры, расхода и давления. Серия CDMF подходят для работы со слабыми растворами кислот и щелочей, растворами масел и спиртов, и т.д.
- Водоснабжение:
- Фильтрация и перекачивание в системах водоснабжения
- Повышение давления в магистральном трубопроводе
- Повышение давления в системах водоснабжения высотных зданий
- Промышленное повышение давления:
- Системы водоснабжения для технологических целей
- Моечные установки высокого давления
- Системы пожаротушения
- Подача технической жидкости:
- Системы охлаждения и кондиционирования воздуха
- Системы питания котлов и отвода конденсата
- Системы охлаждения инструмента металлорежущих станков (подача смазочно-охлаждающей жидкости)
- Перекачивание слабых растворов кислот и щелочей
- Отопление и вентиляция: системы кондиционирования воздуха.
- Водоподготовка:
- Системы ультрафильтрации
- Установки обратного осмоса
- Системы дистилляции
- Сепараторы
- Бассейны
Электродвигатель:
- Стандартный закрытый двухполюсный электродвигатель с воздушным охлаждением
- Степень защиты: IP55
- Класс изоляции: F
- Стандартное напряжение (50 Гц)
- 1x220 В
- 3x220/380 В
- 3x380 В
Условия эксплуатации:
- Подходит для работы с чистыми, неагрессивными и взрывобезопасными жидкостями, не содержащими твердых или длинноволокнистых включений, физические и химические свойства которых близки к в оде.
- Температура жидкости:
- стандартное исполнение: от -15°С до +70°С
- высокотемпературное исполнение: от - 15°C до + 120°С
- Температура окружающей среды: до +40°C
- Высота над уровнем моря: до 1000 м.
Остались вопросы по "Насос вертикальный многоступенчатый CNP CDMF200-2 (высокотемпературное исполнение)"? Звоните нам
Насосы с бензиновым и дизельным двигателем
Газовые насосы
Диафрагменные насосы
Насосы для фонтанов, бассейнов
Насосы прогрессивные полостные (шнековые)
Насосы для перекачки химических жидкостей
Плунжерные насосы
Топливные насосы
Трюмные насосы
Компрессоры автомобильные, инверторы
Компрессоры воздушные
Воздуходувки распыляющие
Воздуходувки электрические
ЭМ
АИР
Vodotok БГИЗ
Vodotok БГИО
Автоматические трубные муфты
Выключатели поплавковые
Частотные преобразователи
Регуляторы механические
Регуляторы электронные

