- Насосы
Насосы вертикальные многоступенчатые из нержавеющей стали
Насосы горизонтальные многоступенчатые из нержавеющей стали
Насосы центробежные из нержавеющей стали
Насосы центробежные из нержавеющей стали с рабочим колесом открытого типа
Насосы вертикальные циркуляционные с линейным расположением патрубков
Насосы циркуляционные (мокрый ротор)
Насосы центробежные моноблочные
Насосы погружные для сточных вод
Дренажные насосы
Дренажные насосы (шламовые, водоотливные)
Погружные насосы (скважинные, для колодцев)
Канализационные насосы
Вихревые насосы
Центробежные насосы
Насосные станции
Насосы для подкачки
- Специализированные насосы
- Компрессоры и воздуходувки
- Электродвигатели
- Генераторы
- Аксессуары и комплектующие
Насос диафрагменный Vodotok GMB2S-80TFF (SS304/TEFLON)

Характеристики насосов:
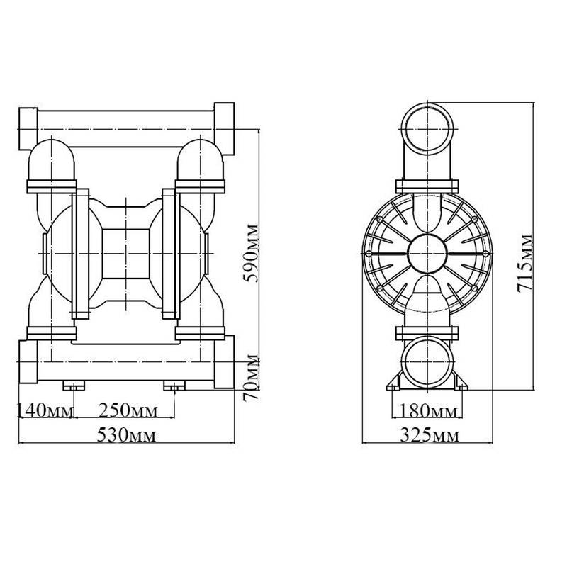
Установочные размеры:
Схема установки насосов:
| № | Наименование | № | Наименование |
|---|---|---|---|
| 1 | Болт | 16 | Уплотнительное кольцо приводного поршня |
| 2 | Выходной коллектор | 17 | Втулка поршня |
| 3 | Шарик клапана | 18 | Средняя часть корпуса |
| 4 | О-образное уплотнительное кольцо | 19 | Направляющая шпилька |
| 5 | Седло клапана | 20 | Уплотнительное кольцо направляющей шпильки |
| 6 | Корпус насосной камеры | 21 | Пластина воздухообменника |
| 7 | Входной коллектор | 22 | Кольцо ползунка |
| 8 | Внешний зажим диафрагмы | 23 | Ползунок |
| 9 | Тефлоновая диафрагма | 24 | Крышка воздушного клапана |
| 10 | Нитрил-каучуковая диафрагма | 25 | Управляющий клапан |
| 11 | Внутренний зажим диафрагмы | 26 | Штуцер для подключения сжатого воздуха |
| 12 | Шток | 27 | Выпускное отверстие воздушного клапана |
| 13 | Внутренняя крышка насосной камеры | 28 | Глушитель |
| 14 | Прокладка | 29 | Подвижная шпилька |
| 15 | Поршень | 30 | Втулка штока |
Область применения:
Данные насосы предназначены для перекачивания как чистой и загрязненной воды, так и для транспортировки жидкостей и смесей с высокой вязкостью, таких как арахисовое масло, маринады, картофельное пюре, колбасный фарш, шоколад, сусло, сиропы, масляные краски, пигменты, клеи, глазурь для керамики, глину для производства кирпича, фарфора и керамики, цементный раствор, раствор для штукатурки, сточные воды абразивные материалы.
Насосы, корпуса и мембраны которых выполнены из коррозионностойких полимеров, могут быть использованы для перекачивания щелочей и кислот.
Особенности:
- Насос не требует предварительного заполнения жидкостью перед первым использованием, максимальная высота всасывания для чистой воды - до 5 м, высота подъема - до 70 м, давление на выходе - до 7 кгс/см2.
- Сочетает в себе качества погружного и поверхностного насосов.
- Конструкция позволяет перекачивать жидкости и смеси с твердыми включениями, таким образом, допускается легкий абразивный износ внутренних частей насоса.
- Бесступенчатая регулировка производительности и высоты подъема осуществляется при помощи регулятора давления сжатого воздуха (диапазон давления подаваемого воздуха 1-7 кгс/см2).
- Не требует электрического подключения, таким образом, может безопасно эксплуатироваться взрывоопасных жидкостей.
- Может быть погружен в перекачиваемую жидкость во время работы.
Внимание! Данные насосы не предназначены для питьевого водоснабжения!
Обобщенная схема установки насосов:
| № | Наименование | № | Наименование |
|---|---|---|---|
| 1 | Трубопровод подачи сжатого воздуха | 8 | Клапан сброса давления жидкости |
| 2 | Клапан сброса давления воздуха | 9 | Запорный клапан |
| 3 | Регулятор давления воздуха | 10 | Выходной трубопровод |
| 4 | Быстроразъемный соединитель | 11 | Штуцер для подключения сжатого воздуха |
| 5 | Воздушный фильтр | 12 | Входное отверстие |
| 6 | Входной трубопровод | 13 | Выходное отверстие |
| 7 | Бак с жидкостью | 14 | Запорный клапан |
Остались вопросы по "Насос диафрагменный Vodotok GMB2S-80TFF (SS304/TEFLON)"? Звоните нам
Насосы с бензиновым и дизельным двигателем
Газовые насосы
Диафрагменные насосы
Насосы для фонтанов, бассейнов
Насосы прогрессивные полостные (шнековые)
Насосы для перекачки химических жидкостей
Плунжерные насосы
Топливные насосы
Трюмные насосы
Компрессоры автомобильные, инверторы
Компрессоры воздушные
Воздуходувки распыляющие
Воздуходувки электрические
ЭМ
АИР
Vodotok БГИЗ
Vodotok БГИО
БГ
ДГ
Автоматические трубные муфты
Выключатели поплавковые
Частотные преобразователи
Регуляторы механические
Регуляторы электронные

