- Насосы
Насосы вертикальные многоступенчатые из нержавеющей стали
Насосы горизонтальные многоступенчатые из нержавеющей стали
Насосы центробежные из нержавеющей стали
Насосы центробежные из нержавеющей стали с рабочим колесом открытого типа
Насосы вертикальные циркуляционные с линейным расположением патрубков
Насосы циркуляционные (мокрый ротор)
Насосы центробежные моноблочные
Насосы погружные для сточных вод
Дренажные насосы
Дренажные насосы (шламовые, водоотливные)
Погружные насосы (скважинные, для колодцев)
Канализационные насосы
Вихревые насосы
Центробежные насосы
Насосные станции
Насосы для подкачки
- Специализированные насосы
- Компрессоры и воздуходувки
- Электродвигатели
- Генераторы
- Аксессуары и комплектующие
Насос центробежный с магнитным приводом Vodotok MPH-401CV5-D (380В)

Характеристики насосов:

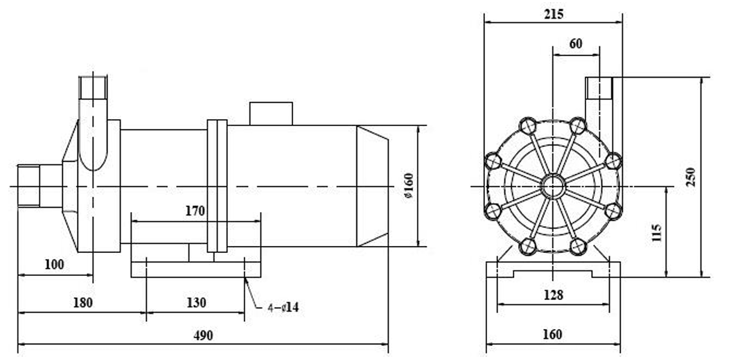
Размерные характеристики:

Применение:
- Предназначены для перекачивания воды, масла, керосина, бензина, нейтральных, кислотных, щелочных и других химически агрессивных жидкостей.
- Используются в химической промышленности при производстве карбоната натрия и химических удобрений, для перекачивания вторичных химических жидкостей, соляной, хлорноватистой, серной, плавиковой и других кислот; в фармацевтической промышленности при производстве люминофоров для полупроводников, пестицидов, лекарств, средств для водоочистки;
- В горнодобывающей промышленности для транспортировки электролита при металлургическом производстве; в медицинской промышленности, а также для фильтрации гальванической жидкости, транспортировки электролита при производстве батарей и аккумуляторов, сточных вод и средств для очистки сточных вод, рециркулирования серебра, при изготовлении фотографий, конденсаторов, ионообменной очистке, для оборудования очистки воды, опреснения морской воды и т. д.
Насос имеет полностью герметичную конструкцию, на его валу и крыльчатке расположены ведущий и ведомый магниты. Вращение вала мотора приводит в движение крыльчатку за счет магнитного притяжения между ведущим и ведомым магнитами.
При изготовлении подшипников применяется специальная керамика, характеризующаяся высокой стойкостью к истиранию и коррозии. Конструкцией насоса не предусмотрено использование традиционного уплотнения вала, что полностью исключает вероятность загрязнения окружающей среды из-за утечки перекачиваемой жидкости.
Расшифровка обозначений:

Обобщенная схема устройства насосов:
| № | Наименование | № | Наименование |
|---|---|---|---|
| 1 | Винты и шайбы | 6 | О-образное уплотнительное кольцо |
| 2 | Насосная камера | 7 | Изолирующий кожух |
| 3 | Вал | 8 | Ведущий магнит |
| 4 | Крыльчатка | 9 | Мотор |
| 5 | Ведомый магнит |
Остались вопросы по "Насос центробежный с магнитным приводом Vodotok MPH-401CV5-D (380В)"? Звоните нам
Насосы с бензиновым и дизельным двигателем
Газовые насосы
Диафрагменные насосы
Насосы для фонтанов, бассейнов
Насосы прогрессивные полостные (шнековые)
Насосы для перекачки химических жидкостей
Плунжерные насосы
Топливные насосы
Трюмные насосы
Компрессоры автомобильные, инверторы
Компрессоры воздушные
Воздуходувки распыляющие
Воздуходувки электрические
ЭМ
АИР
Vodotok БГИЗ
Vodotok БГИО
БГ
ДГ
Автоматические трубные муфты
Выключатели поплавковые
Частотные преобразователи
Регуляторы механические
Регуляторы электронные

